

Suzuki
Suzuki Polttoainesuodatin Element DF200-DF300 (2004-2010)
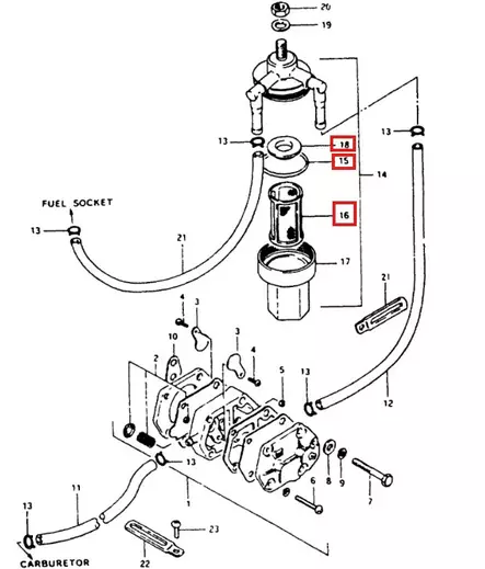
Suzuki alkuperäinen polttoainesuodatin element. Filter Fuel. Fuel Pump/Fuel Vapor Separator. Vuosimalleihin 2004-2010 DF200 DF225 DF250 DF300 Varmista oikea suodatin koneesi VIN-numerolla....
Tuotekoodi: 15412-93J00-000
24,50 €
Tuote tilapäisesti loppu (tavarantoimittaja)





















































































































