

Suzuki
Suzuki Polttoainepumpun Kalvosarja/Diaphragm Set DT50-DT225
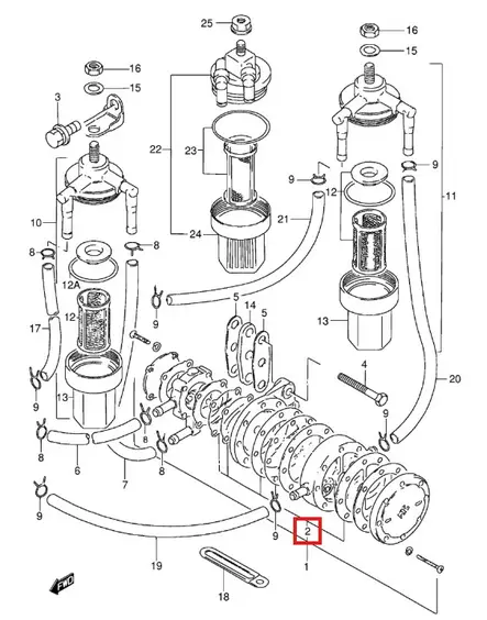
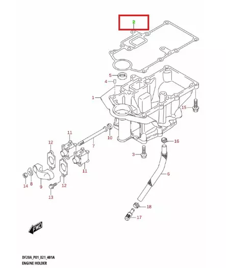
Suzuki Polttoainepumpun Kalvosarja/Diaphragm Set DT50-DT225. Alkuperäinen Suzuki polttoainepumpun kalvosarja. Diaphragm Set. Fuel Pump. Suzuki: 15100-72812-000, 15100-7281V-000 VIN-koodilla varmistat...
Tuotekoodi: 15100-7281V-000
44,05 €
Heti omasta varastosta
Tuotteet lähetetään 1-4 arkipäivässä




















































































































