

Yamaha
Termostaatti/Thermostat Yamaha 25B 50G 60F/H 70B/E
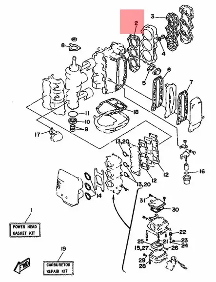
Termostaatti/Thermostat Yamaha 25B 50G 60F/H 70B/E. Alkuperäinen Yamaha termostaatti. Thermostat. Cylinder & Crankcase. Yamaha: 6H3124111100, 6H3124111000, 6H3124110000 6H3-12411-11-00...
Tuotekoodi: 6H3124111100
65,96 €
Tuote tilapäisesti loppu (tavarantoimittaja)















































































































