Alennuskoodi / lahjakortti
Onko sinulla kampanja- tai alennuskoodi?
Jaa tuote
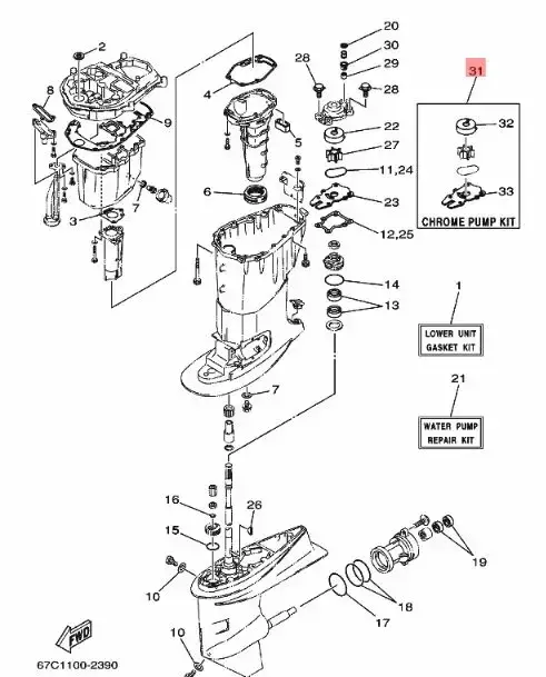
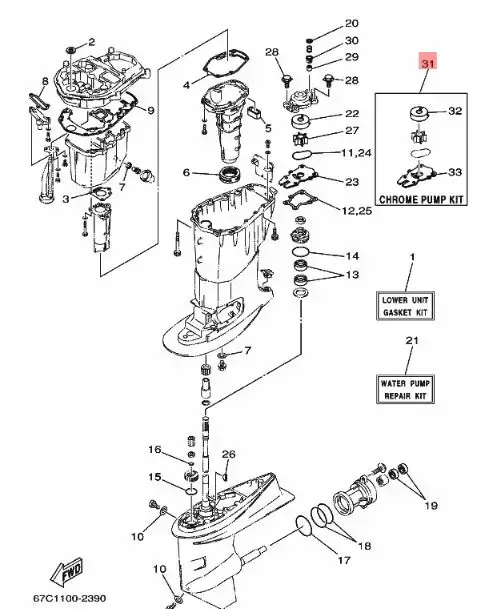
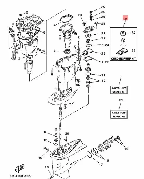
Chrome Pump Repair Kit/Vesipumpun Korjaussarja FT25/F30/F40 Yamaha



Alkuperäinen Yamaha vesipumpun korjaussarja.(CHROME PUMP) Chrome Pump Repair Kit. HUOM. TULEE ERI OSILLA KUIN VESIPUMPUN KORJAUSSARJA. (Katso räjäytyskuva) NRO. 31 T25, F30, F40 (2000-2009) 40X... Lue lisää
149,26 €
- Tuotekoodi: 66TW00780A00
- Valmistaja: YAMAHA VARAOSAT
- Heti omasta varastostaTuotteet lähetetään 1-4 arkipäivässä
- Toimituskulut alkaen 9,90 €Nouto myymälästä0,00 €
kpl
Alkuperäinen Yamaha vesipumpun korjaussarja.(CHROME PUMP)
Chrome Pump Repair Kit.
HUOM. TULEE ERI OSILLA KUIN VESIPUMPUN KORJAUSSARJA.
(Katso räjäytyskuva) NRO. 31
T25, F30, F40 (2000-2009)
40X, E40X (1998--->)
FT25B (200=-2009)
FT25F (2009--->)
F30A (2001-2009)
F40B (2000-2009)
Chrome Pump Repair Kit.
HUOM. TULEE ERI OSILLA KUIN VESIPUMPUN KORJAUSSARJA.
(Katso räjäytyskuva) NRO. 31
T25, F30, F40 (2000-2009)
40X, E40X (1998--->)
FT25B (200=-2009)
FT25F (2009--->)
F30A (2001-2009)
F40B (2000-2009)
Myymälä
Saatavuus
Osoite
Yhteystiedot ja aukioloajat
Oletko ostanut tämän tuotteen?
PostNord Palvelupiste
9,90 €
PostNord Pakettiautomaatti
9,90 €
PostNord Kotiinkuljetus
16,90 €
Nouto myymälästä
0,00 €