

Ale -62%
Yamaha
KÄYTETTY-Vaihteistokotelo Casing Lower Y
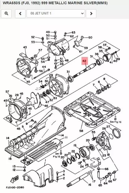
KÄYTETTY-Vaihteistokotelo Casing Lower Yamaha 50G 55B 60F 70B. Casing Lower. Lower Casing & Drive. Kotelossa: 69701-Y4 Yamaha: 697-45301-02-8D, 69745301024D, 697-45301-02-4D, 697-45311-02-4D Koneesi...
Tuotekoodi: K-69745301024D
449,00 €Ovh. 1180,50 €
Kysy lisää tuotteesta
































































































