

Yamaha
Vaihdetanko/Rod Shift 2 Yamaha F50A 50G 60F 70B
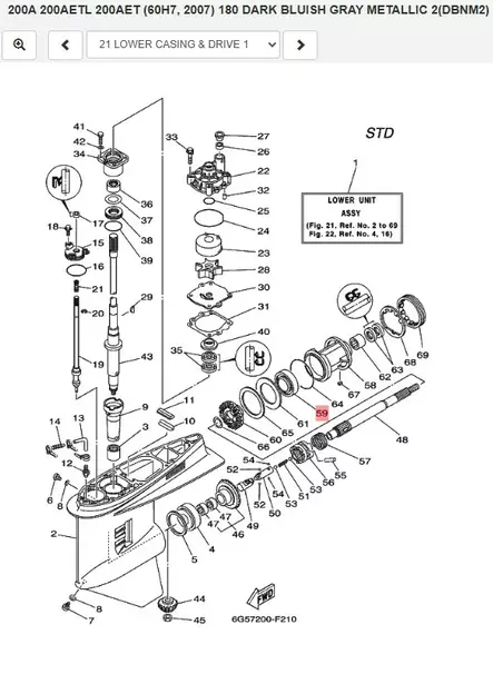
Vaihdetanko/Rod Shift 2 Yamaha F50A 50G 60F 70B. Alkuperäinen Yamaha Rod Shift. Lower Casing & Drive. Yamaha: 6K5441440000, 6K5-44144-00-00 Tyyppikilvellä varmistat kauttamme osan sopivuuden...
Tuotekoodi: 6K5441440000
140,48 €
Heti omasta varastosta
Tuotteet lähetetään 1-4 arkipäivässä





















































































































