

Yamaha
Katkotappi Potkuriakseli/Pin Straight Yamaha 4AC 5C
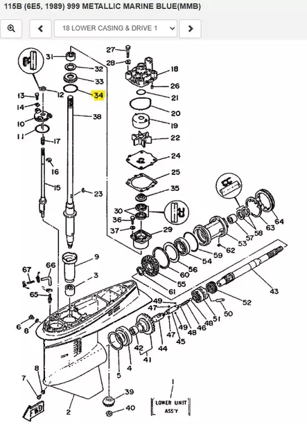
Katkotappi Potkuriakseli/Pin Straight Yamaha 4AC 5C. Alkuperäinen Yamaha katkotappi. Pin Straight. Lower Casing & Drive. Yamaha: 902500500900, 90250-05009-00
Tuotekoodi: 902500500900
4,42 €
Tuote tilapäisesti loppu (tavarantoimittaja)





















































































































